| Components Location |

| 1. Auto logging actuator |
| Description |
The auto defogging sensor is installed on front window glass. The sensor judges and sends signal if moisture occurs to blow out wind for defogging. The air conditioner control module receives a signal from the sensor and restrains moisture and eliminates defog by the intake actuator, A/C, auto defogging actuator, blower motor rpm and mode actuator.
| Inspection |
| 1. |
Turn the ignition switch OFF. |
| 2. |
Disconnect the auto defogging connector. |
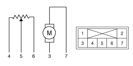
| 3. |
Verify that the auto defogging actuator operates to the open position when connecting 12V to terminal 3 and grounding terminal 7. Verify that the auto defogging actuator operates to the close position when connected in reverse.
|
| 4. |
Connect the auto defogging actuator connector. |
| 5. |
Turn the ignition switch ON. |
| 6. |
Check the voltage between terminals 4 and 5.
Specification
|
| 7. |
If the measured voltage is not within specification, check the operation by replacing the existing auto defogging actuator with a new genuine part. After that, determine whether replacement of the auto defogging actuator is required or not. |
| Replacement |
| 1. |
Disconnect the negative (-) battery terminal. |
| 2. |
Remove the main crash pad assembly. (Refer to Body - "Main Crash Pad Assembly") |
| 3. |
Separate the connector (A), loosen the mounting screws and remove the auto defogging actuator (B).
|
| 4. |
To install, reverse the removal procedure. |
Components and components location Components Location 1. Mode control actuator Description and operation Description The mode control actuator is located at the heater unit.
Components and components location Components Location 1. Suction & Liquid tube assembly 2. Discharge hose Repair procedures Replacement 1. If the compressor is marginally operable, run the engine at idle speed, and let the air conditioning work for a few minute
Description and operation Description The climate control air filter is located in the blower unit. It eliminates foreign materials and odor. The particle filter performs a role as an odor filter as well as a conventional dust filter to ensure comfortable interior environment.