| Components Location |

| 1. Mode control actuator |
| Description |
The mode control actuator is located at the heater unit.
It adjusts the position of the mode door by operating the mode control actuator based on the signal of the A/C control unit. Pressing the mode select switch makes the mode control actuator shift in order of Vent → Bi-Level → Floor → Mix.
| Inspection |
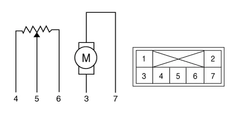
| 1. |
Turn the ignition switch OFF. |
| 2. |
Disconnect the mode control actuator connector. |
| 3. |
Verify that the mode control actuator operates to the defrost mode when connecting 12V to terminal 3 and grounding terminal 7. Verify that the mode control actuator operates to the vent mode when connected in reverse.
|
| 4. |
Connect the mode control actuator connector. |
| 5. |
Turn the ignition switch ON. |
| 6. |
Check the voltage between terminal 6 and 5.
Specification
|
| 7. |
If the measured voltage is not within specification, check the operation by replacing the existing mode control actuator with a new genuine part. After that, determine whether replacement of the mode control actuator is required or not. |
| Replacement |
| 1. |
Disconnect the negative (-) battery terminal. |
| 2. |
Remove the main crash pad assembly. (Refer to Body - "Main Crash Pad Assembly") |
| 3. |
Separate the connector (A), loosen the mounting screws and remove the mode control actuator (B).
|
| 4. |
To install, reverse the removal procedure. |
Components and components location Components Location 1. Temperature control actuator [LH] 2. Temperature control actuator [RH] Description and operation Description The temperature control actuator is located at the heater unit.
Components and components location Components Location 1. Auto logging actuator Description and operation Description The auto defogging sensor is installed on front window glass.
Schematic diagrams Connector and Terminal Function Repair procedures Inspection 1. Remove the overhead console lamp. (Refer to Lighting System - "Overhead Console Lamp") 2. Check for continuity between the terminals in each switch position according to the table
Components and components location Components Location 1. Condenser Description and operation Description The cluster ionizer makes disinfection and decomposition of bad smell from the air-conditioner or inflow air.