| Specification |
|
Item |
Specification |
|
Capacitance (pF) |
850 - 1,150 |
| Description |
| • |
Knocking is a condition characterized by undesirable vibration and noise and can cause engine damage. |
| • |
Knock Sensor (KS) is installed on the cylinder block and senses engine knocking. |
| • |
When knocking occurs, the vibration from the cylinder block is applied as pressure to the piezoelectric element. At this time, this sensor transfers the voltage signal higher than the specified value to the ECM and the ECM retards the ignition timing. |
| • |
If the knocking disappears after retarding the ignition timing, the ECM will advance the ignition timing. This sequential control can improve engine power, torque and fuel economy. |

| Components Location |

| 1. Knock Sensor (KS) |
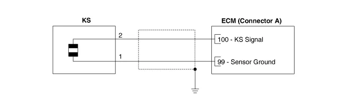
| Circuit Diagram |

Harness Connector

| Inspection |
| 1. |
The engine control system can be more quickly diagnosed for troubles by using the vehicle diagnostic system (KDS). (Refer to "DTC guide") KDS provides the following information.
|
| Component Inspection |
| 1. |
Turn the ignition switch OFF. |
| 2. |
Disconnect the knock sensor connector. |
| 3. |
Measure resistance between the knock sensor terminals 1 and 2. |
| 4. |
Check that the resistance is within the specification.
|
| Removal |
| 1. |
Disconnect the negative battery terminal. |
| 2. |
Remove the intake manifold. (Refer to Engine Mechanical System - "Intake Manifold") |
| 3. |
Remove the knock sensor (A) after loosening the mounting bolt.
|
| Installation |
|
| 1. |
Install in the reverse order of removal. |
Description and operation Description • Camshaft Position Sensor (CMPS) is a hall sensor, which detects the camshaft position by using a hall element.
Description and operation Description • Heated Oxygen Sensor (HO2S), consisting of zirconium and alumina, is installed on both upstream and downstream of the Manifold Catalytic Converter (MCC) to detect the air/fuel ratio and send it to the ECM.
Description and operation Description The evaporator temperature sensor will detect the evaporator core temperature and interrupt compressor relay power in order to prevent evaporator from freezing by excessive cooling. The evaporator temperature sensor has the Negative Temperature Coefficient (NTC).
Repair procedures Inspection 1. Measure the resistance between the terminals. 2. measured resistance is not within specification, the blower resistor must be replaced. (After removing the resistor) (1) Pin No 1.